Trong các loại thép hình được chia ra làm bốn nhóm thép chính là thép hình H, thép hình I, thép hình V và thép hình U. Mỗi một loại thép hình sẽ có những cách để nhận dạng khác nhau và thiết kế khác nhau. Vậy thép H có tốt không trong 4 loại thép trên, cùng tìm hiểu xem nhé.
Mục lục
Thép H là gì?
Thép chữ H là một trong những sản phẩm thuộc loại thép hình, thép H thường được ứng dụng rất nhiều trong lĩnh vực xây dựng và một số ngành công nghiệp nặng khác có liên quan. Thép hình H có khả năng là chịu áp lực lớn, độ bền khá cao vì thế sẽ đảm bảo được tối đa tuổi thọ cho công trình xây dựng.
Các loại thép hình H đang được sử dụng phổ biến hiện nay: Thép hình H, thép H100, H125, H150, H200 và H250, H300, H350, H400… được sản xuất theo một số tiêu chuẩn của mác thép là:
- Mác thép của Nga: CT3, … với tiêu chuẩn như sau: GOST 380 – 88.
- Mác thép của Nhật: SS400, …với tiêu chuẩn như sau: JIS G 3101, SB410, 3010.
- Mác thép của Trung Quốc: SS400 và Q235B….với tiêu chuẩn như sau: JIS G3101, SB410, 3010.
- Mác thép của Mỹ là: A36,…với tiêu chuẩn như sau: ATSM A36

Cấu tạo và kích thước của thép hình H
Tại sao thép hình H lại chắc chắn như vậy, cùng xem qua các thông số cấu tạo nên loại thép này nhé
- Một cây thép hình H có thông số độ dài tiêu chuẩn là 6m hoặc 12m.
- Chiều dài thân dao động trong khoảng từ 100 – 900mm.
- Chiều dài cạnh dao động trong khoảng từ 50 – 400mm.
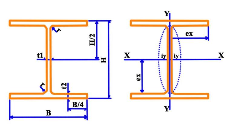
Quy cách thép hình H
Để hiểu rõ hơn về thép hình H và cấu tạo của chúng, chúng ta hãy tham khảo một số ký hiệu thông số cấu tạo sau:
- Ký hiệu Chiều dài phần thân trục: H
- Kí hiệu chiều dài mỗi cạnh: B
- Kí hiệu độ dày phần thân trục: t1
- Kí hiệu độ dày phần cạnh: t2
Ví dụ một cây thép hình H (100 x 100 x 6 x 8mm) sẽ được hiểu là:
- Thân chữ H có chiều dài là 100mm và độ dày 6mm.
- Cạnh chữ H có chiều dài là 100mm và độ dày 8mm

Thép H có tốt không?
Thép hình H có rát nhiều những ưu điểm và có nhiều tính năng khác nhau, thép được chế tạo và thiết kế giống với hình chữ H in hoa, trong quá trình sản xuất thép H phải trải qua dây chuyền sản xuất và kiểm soát rất chặt chẽ từ khâu lựa chọn nguyên liệu đến bước cuối cùng chính là cán và tạo thành sản phẩm. Các loại thép hình được bán nhiều nhất tại Việt Nam với tiêu chuẩn hiện nay là SS400, và được trải qua 4 quy trình sản xuất như sau: 1. Xử lý nguyên liệu >> 2. Tạo dòng thép nóng chảy >> 3. Phôi >> 4. Cán và hình thành nguyên liệu.
Với quy trình chế tạo đặc biệt chặt chẽ, tuân thủ nghiêm ngặt các quy định và tiêu chuẩn tiên tiến vì vậy thép hình H sở hữu vô số ưu điểm vượt trội. Đầu tiên là dòng thép này có độ bền rất cao, tuổi thọ dài, luôn được đảm bảo trong mọi điều kiện thiết kế cũng như thời gian sử dụng dài.

Bên cạnh đó, thép H còn chịu lực tốt nhất trong các loại thép hình nhờ vào diện tích bề mặt khá lớn, rộng rãi và kết cấu vững chãi và thiết kế sở hữu độ cân bằng cực tối ưu. Trong quá trình sử dụng, thép H không bị cong vênh, biến dạng khi gặp lực tác động hay áp xuất có tải trọng lớn. Vì vậy, rất phù hợp với các công trình mà đòi hỏi kết cấu vững chắc và kiên cố.
Đặc biệt, thép hình H với đa dạng kiểu cách, kích thước, độ dày và mẫu mã thế nên được ứng dụng vào nhiều công trình lớn nhỏ khác nhau, từ công trình đơn giản tới công trình phức tạp, giúp đảm bảo được độ an toàn cho người thi công và rất tiết kiệm kinh phí.
Thép chữ H có ứng dụng gì trong đời sống?
Là loại nguyên liệu thép đặc biệt và rất tốt, vì thế nên ứng dụng của thép hình H trong đời sống hiện nay cũng rất phổ biến, ngoài việc sử dụng trong các công trình xây dựng thì thép hình H còn được sử dụng để xây dựng cầu đường, trong kết cấu kỹ thuật, đòn cân hay ngành công nghiệp đóng tàu, nâng và vận chuyển máy móc, tháp truyền thành, làm kệ cho kho chứa hàng hóa, làm cọc nền cho móng nhà xưởng, kết cấu nhà xưởng,….

Điểm khác biệt giữa thép hình H và thép hình I
Nhìn chung mà nói, thép hình H và I trông khá giống nhau và có những ứng dụng cũng tương tự như nhau. Chúng có các điểm khác nhau về mặt hình học và tính chất cơ học như là tỷ lệ cường độ trên trọng lượng, khả năng chịu tải và độ bền…
Điểm nhận dạng thép H và thép I
Thép hình H có tiết diện là hình chữ H in hoa, với 3 mảng kim loại được kết hợp với nhau, có mặt bích khá rộng. Cạnh phía trong và ngoài có cùng độ dày. Mép phía ngoài của cạnh trên và dưới đều có hình vuông
Thép hình I có tiết diện là hình chữ I in hoa, được sản xuất theo 1 khối liền, loại thép này có các mặt bích thanh mảnh thường là hẹp hơn so với các đầu thon để tăng cường độ. Mặt trong của cạnh trên và cạnh dưới có độ dốc đáng kể. Cạnh phía trong dày hơn phía ngoài, mép phía ngoài của cạnh bên trên và dưới hình cong.
Sự giống nhau giữa thép hình I và H
Nói chung, 2 loại thép hình này được ứng dụng phổ biến trong các công trình xây dựng, kết cấu chịu lực tốt cho các công trình xây dựng công nghiệp và dân dụng. 2 lạo thép hình này được sử dụng để tăng thêm sức mạnh cho các bức tường trong nhiều công trình xây dựng khác nhau. Hình dạng của thép được tạo ra để chống lại lực cắt, làm giảm đi tình trạng vỡ lở bức tường từ ngoại lực. Dầm thép đảm bảo được tính toàn vẹn của một cấu trúc, tăng thêm sự ổn định và sức mạnh cho công trình.
Điểm khác biệt giữa thép H và thép I

- Thép H nặng hơn thép I, vì vậy thép H có thể chịu được lực mạnh hơn
- Thép H có chiều cao của phần thanh chắn ngang dày hơn vì thế nó trở nên khỏe hơn.
- Diện tích bề mặt thép H lớn hơn trên mặt cắt ngang, nên được coi là có tỷ lệ cường độ cao hơn
- Thép I thường sâu hơn so với chiều rộng của nó, điều này giúp cho chúng chịu tải khá tốt dưới sự cong vênh của cục bộ.
- Thép I có một thanh chắn giữa mảnh và mặt bích thon
- Thép H có thể được xây dựng với bất kỳ kích thước hoặc chiều cao nào tuy nhiên thép I lại chỉ có thể được chế tạo như các thiết bị phay mà nhà sản xuất cho phép.
Nói chung, thép hình H và I trông khá giống nhau và có những ứng dụng cũng tương tự nhau. Chúng khác nhau về cấu tạo hình học và tính chất cơ học như là tỷ lệ cường độ trên trọng lượng, khả năng chịu tải và độ bền… Để lựa chọn được loại thép phù hợp nhất, đáp ứng tối đa hiệu quả cho công trình, Khách hàng nên tìm đến các nhà cung cấp thép uy tín và chuyên nghiệp để được tư vấn và hỗ trợ một cách tốt nhất.
Tôn thép Trí Việt – Phân phối sắt thép số 1 Miền Nam
Thép Trí Việt là công ty chuyên cung cấp các loại THÉP XÂY DỰNG, THÉP HÌNH, THÉP TẤM ,THÉP HỘP, TÔN LỢP, DÂY THÉP, XÀ GỒ,… với đầy đủ các loại kích cỡ, cũng như chủng loại của các nhà máy tại Việt Nam. Với hơn 10 năm kinh nghiệm trong ngành, Trí Việt luôn cố gắng hoàn thiện và phát triển về mọi mặt để trở thành một trong những nhà cung cấp TÔN THÉP XÂY DỰNG hàng đầu cho các công trình xây dựng trên toàn khu vực phía Nam.

Luôn phát triển theo phương châm “Chất lượng là mục tiêu“, Thép Trí Việt tập trung vào việc lấy chất lượng sản phẩm đặt lên hàng đầu và cố gắng nỗ lực không ngừng để mang lại cho quý khách hàng một dịch vụ chất lượng tốt nhất. Để làm được điều này, Thép Trí Việt đã trang bị đầy đủ các loại phương tiện (như các loại đầu kéo, xe cẩu…), với trang thiết bị chuyên dụng hiện đại và đầy đủ kích cỡ phù hợp với nhiều địa thế công trình, giúp đáp ứng tất cả các nhu cầu của khách hàng và mang lại lợi ích tốt nhất đến với đối tác.
Nếu bạn đang tìm một công ty cung cấp sắt thép chất lượng thì tìm đến khảo Trí Việt qua những kênh sau:
- Văn phòng công ty: 43/7B Phan Văn Đối, Ấp Tiền Lân, Bà Điểm, Hóc Môn, TPHCM
- Địa chỉ cơ sở 1: 46/1 khu phố 5 – số 6 – F Linh Tây – Thủ Đức – TPHCM
- Địa chỉ cơ sở 2: 33D Thiên Hộ Dương – Phường 1 – Gò Vấp – TPHCM
- Địa chỉ cơ sở 3: 16F Đường 53 – Phường Tân Phong – Quận 7 – TPHCM
- Địa chỉ cơ sở 4: 75/71 Lý Thánh Tông – F Tân Thới Hòa – Q. Tân phú – TPHCM
- Địa chỉ cơ sở 5: 3/135, Ấp Bình Thuận 1 – Xã Thuận Giao – TP Thuận An – Bình Dương
- Số Hotline mua hàng: 091 816 8000 hoặc 0907 6666 51 hoặc 0907 6666 50
Trên đây là những thông tin giúp bạn giải đáp được thắc mắc thép H có tốt không, hi vọng với những kiến thức mà chúng tôi cung cấp bạn có thể lựa chọn cho mình loại thép tốt nhất cũng như trở thành người tiêu dùng thông thái trong việc chọn lựa nguyên liệu xây dựng.

